PLC-RSC- 24DC/21- 2966171

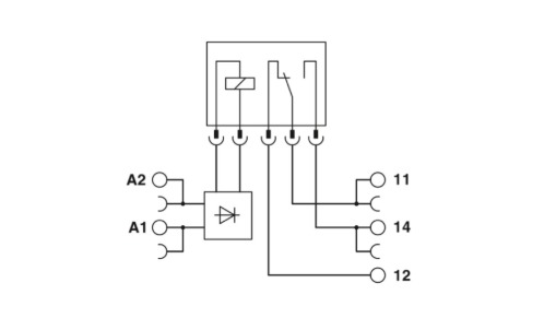
Interfaz PLC, compuesta por bloque de terminales básico PLC-BSC.../21 con conexión por tornillo y relé miniatura enchufable con contacto de potencia, para montaje en carril DIN NS 35/7,5, 1 contacto inversor, tensión de entrada 24 V DC.

Image

0 en Stock SPS / 0 Stock Zona Libre

A00000283

+
Image

None

Conexión

+