PLC-RSC- 48DC/21-21AU - 2967280

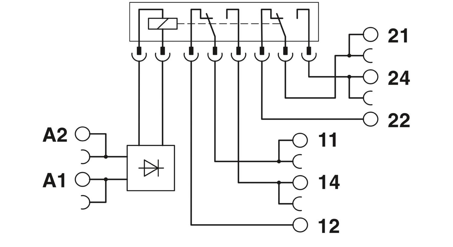
Interfaz PLC, compuesta por bloque de terminales básico PLC-BSC.../21 con conexión por tornillo y relé miniatura enchufable con contacto de oro multicapa, para montaje sobre carril DIN NS 35/7,5, 2 contactos inversores, tensión de entrada 48 V DC.

Image

0 en Stock SPS / 0 Stock Zona Libre

A00033985

+
Image

None

Conexión

+