FLT-CP-2S-350 - 2859767

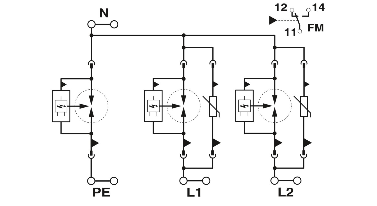
Descargador de corrientes de rayo y sobretensiones enchufable, compatible con descargadores tipo 1+2 / Clase I+II / B+C. Descargadores coordinados según el principio AEC para redes de suministro eléctrico bifásicas con PE y N instalados por separado (L1, L2, PE, N).

Image

None

A00000027

+
Image

None

Dimensiones

+
Image

None

Conexión

+