FLT-SEC-T1+T2-1S-350/25-FM - 2905466

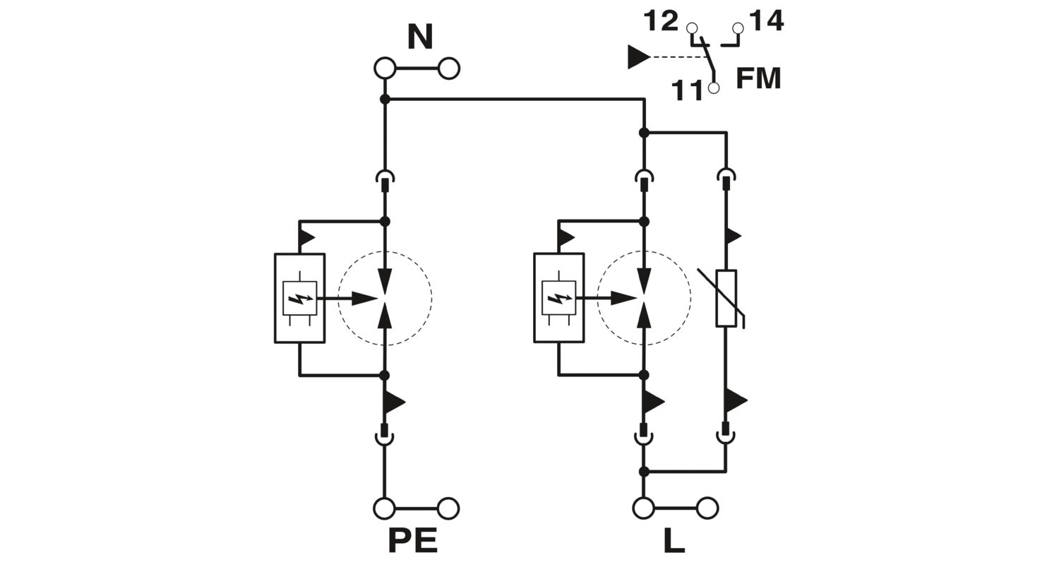
Combinación de descargadores de corrientes de rayo y sobretensiones enchufables, según el tipo 1+2/clase I+II, para redes de alimentación monofásicas, con N y PE separados (L1, PE, N).

Image

None

A00027223

+
Image

None

Dimensiones

+
Image

None

Conexión

+