RIF-1-RPT-LV-120AC/1X21 - 2903340

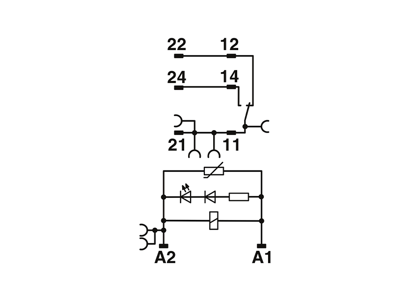
Módulo de relé premontado con conexión push-in, compuesto de: zócalo de relé, relé con contacto de potencia, módulo de indicación/antiparasitario enchufable y brida de sujeción. Tipo de conmutación del contacto: 1 conmutador. Tensión de entrada: 120 V AC.

Image

None

A00028652

+
Image

None

Rango de tensión de servicio

+
Image

None

Potencia de ruptura

+
Image

None

Bobina AC

+